OP
UTC

Lurker
ET2
Joined: UTC
Posts: 4
Location: Bulgaria
 
Lurker
ET2
Joined: UTC
Posts: 4
Location: Bulgaria
UTC quote
Hello! I'm looking for the wiring diagram of a Vespa ET2 C12, 1997
@gravelrash2004 avatar
UTC

Molto Verboso
P Series / Li / LML / Motovespa
Joined: UTC
Posts: 1005
Location: UK
 
Molto Verboso
@gravelrash2004 avatar
P Series / Li / LML / Motovespa
Joined: UTC
Posts: 1005
Location: UK
UTC quote
I think this is one that may help - but im a pre Auto guy
Et2 later
Et2 later
OP
UTC

Lurker
ET2
Joined: UTC
Posts: 4
Location: Bulgaria
 
Lurker
ET2
Joined: UTC
Posts: 4
Location: Bulgaria
UTC quote
Thanks, I saw this diagram, but it's not the same. The Vespa model is C12 ET2 1997
@safis avatar
UTC

Ossessionato
1979 P150X, 1983 P200E, 1987 PK125XL Elestart, 1988 T5, 1995 PX200E
Joined: UTC
Posts: 4996
Location: Veria, Greece
 
Ossessionato
@safis avatar
1979 P150X, 1983 P200E, 1987 PK125XL Elestart, 1988 T5, 1995 PX200E
Joined: UTC
Posts: 4996
Location: Veria, Greece
UTC quote
If it's the injected model, I highly doubt you'll find any info since they were produced for a very short period of time and only at certain markets. Search for "ET2 iniezione Manuale per stazioni di servizio" and buy one…
OP
UTC

Lurker
ET2
Joined: UTC
Posts: 4
Location: Bulgaria
 
Lurker
ET2
Joined: UTC
Posts: 4
Location: Bulgaria
UTC quote
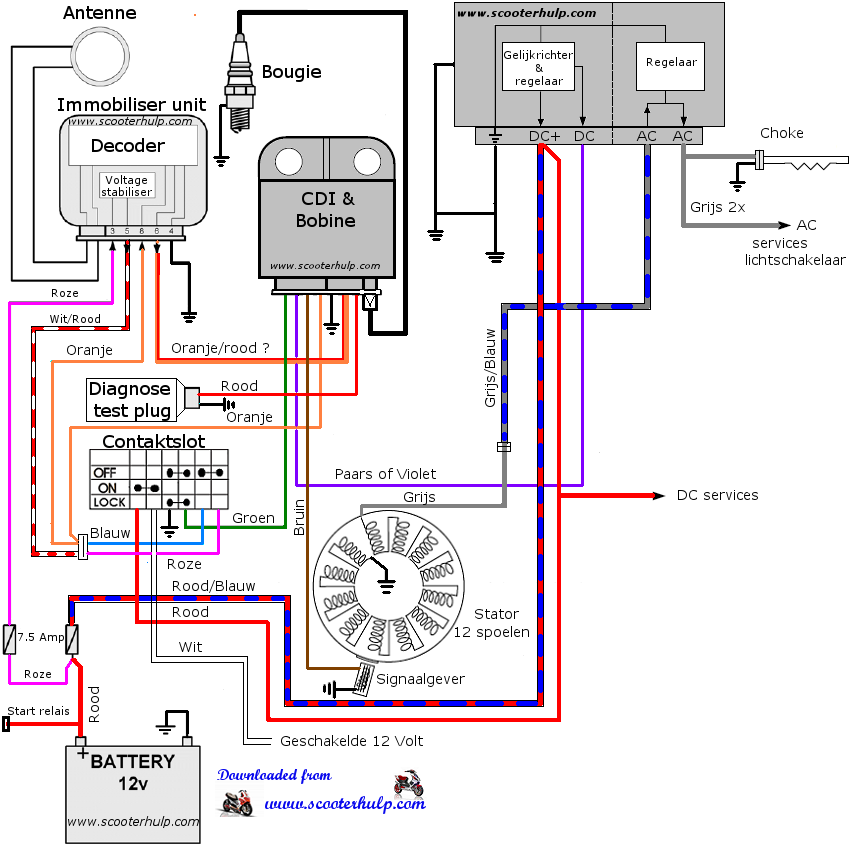
La mia Vespa è un modello a iniezione, ho ordinato il manuale di manutenzione e sto aspettando di riceverlo. Grazie mille per le informazioni.
Questo è lo schema del mio motore:
Forum member supplied image with no explanatory text
OP
UTC

Lurker
ET2
Joined: UTC
Posts: 4
Location: Bulgaria
 
Lurker
ET2
Joined: UTC
Posts: 4
Location: Bulgaria
UTC quote
Sto cercando la bobina.

Modern Vespa is the premier site for modern Vespa and Piaggio scooters. Vespa GTS300, GTS250, GTV, GT200, LX150, LXS, ET4, ET2, MP3, Fuoco, Elettrica and more.

Modern Vespa is made possible by our generous supporters.

Buy Me A Coffee
 

Shop on Amazon with Modern Vespa

Modern Vespa is a participant in the Amazon Services LLC Associates Program, an affiliate advertising program designed to provide a means for sites to earn advertising fees by advertising and linking to amazon.com


All Content Copyright 2005-2025 by Modern Vespa.
All Rights Reserved.


[ Time: 0.0098s ][ Queries: 4 (0.0040s) ][ live ][ 339 ][ ThingOne ]