|
|
|
|
UTC
quote
Shooter wrote: What is the price of these Admore units? They have a website which should have all the info you need [url] www.admorelighting.com/ [/url] |
|
|
UTC
quote
installed the Admore top case led arrays over the weekend. my only trouble spots were "mating" the male/female plug at the bottom of the top case (drilled hole was close to the rack spring) and the "daunting" task of stripping away the black electrical tape from the scoot's wiring loom in order to expose the wiring allowing the install of the posi-taps (gotta love those things). the only thing i didn't like about the install was the non-cleanliness of wrapping the posi-taps/wiring back up with electrical tape (i'm sure there are much cleaner methods).
absolutely love the kit and the increased signaling that they offer. thanks Admore! |
|
|
UTC
quote
brennie wrote: The reason I ask about UK suppliers is because there is a $25 shipping charge and a wait...and no doubt a customs charge too... |
|
UTC
Ossessionato
Vintage Red 2007 GTS, 2022 Mazda Miata soft-top (4-wheel MC)!
Joined: UTC
Posts: 2162 Location: Palo Alto, CA |
|
|
Ossessionato
Vintage Red 2007 GTS, 2022 Mazda Miata soft-top (4-wheel MC)!
Joined: UTC
Posts: 2162 Location: Palo Alto, CA |
UTC
quote
Shooter wrote: What is the price of these Admore units? -Dan |
|
UTC
Ossessionato
Vintage Red 2007 GTS, 2022 Mazda Miata soft-top (4-wheel MC)!
Joined: UTC
Posts: 2162 Location: Palo Alto, CA |
|
|
Ossessionato
Vintage Red 2007 GTS, 2022 Mazda Miata soft-top (4-wheel MC)!
Joined: UTC
Posts: 2162 Location: Palo Alto, CA |
UTC
quote
I installed the delux set on my GTS250 today
I just finished installing a set of the admore topcase lights on my GTS. Very nice design, install went pretty smoothly. Thank you, Jim, for the pictures and instructions at the top of this thread. The only problem I had was drilling the hole thru the topcase too close to the side -- it's in the way of the spring and I had to unscrew it to get the connector on. I thought I put it in the same location that Jim did, but I guess not! Anyway, I got it to work without having to redo it. If I were to do it all over again, I'd put the hole in the middle of the case (well, middle left-to-right, I'd still put it at the forward-most edge).
Also, I was able to gently force the cable thru the plastic "grill" piece without having to cut it. That was a nice surprise. All in all, the hardest part was figuring out how to route the cable down inside the engine compartment, but I think I got it in a good place. I'll upload some pics of where I put it. Everthing else was pretty smooth and easy. One thing -- mine doesn't do the backoff flashing-the-brake-lights. Well, it does it the first time I brake after turning on the bike, but doesn't after that. Anyone else get this to work? -Dan
Where I tapped into the wiring. Not as neat as Jim's!
View down thru the top, showing where I routed the cable. Outside of the gas tank. I used two of the clips supplied to hold it in place.
Finished product. Still pretty visible during the day, at least in the shade!
|
|
|
UTC
quote
Re: I installed the delux set on my GTS250 today
The brake light do the modulated flashing the first time then they act as normal brake lights unless a 15 sec period of no braking occurs. This is to prevent the flashing annoying following traffic.
⚠️ Last edited by ashbrook on UTC; edited 1 time
|
|
|
UTC
quote
changerang wrote: Jim or anyone else, Has anyone considered wiring emergency flashers on their scooter? Would it be completely unnecessary? I guess I could use the turn signals in a real emergency which I have before. I would also like to have the ability to use emergency flashers/leds while escorting or during a triathlon or other athletic event. We also taped red LED bicycle flashers to the top-box handle of the MP-3 and to the top-box bracket of the GTS-250, to be used as a "follow-me" light when leading a ride. ⚠️ Last edited by Inchworm505 on UTC; edited 1 time
|
|
UTC
Ossessionato
Vintage Red 2007 GTS, 2022 Mazda Miata soft-top (4-wheel MC)!
Joined: UTC
Posts: 2162 Location: Palo Alto, CA |
|
|
Ossessionato
Vintage Red 2007 GTS, 2022 Mazda Miata soft-top (4-wheel MC)!
Joined: UTC
Posts: 2162 Location: Palo Alto, CA |
UTC
quote
Re: I installed the delux set on my GTS250 today
ashbrook wrote: The brake light do the modulated flashing the first time then they act as normal brake lights unless a 15 sec period of no braking occurs. This is to prevent the flashing annoying following traffic. -Dan |
|
|
|
|
UTC
quote
I just bought a kit as well for C$159 includes shipping + taxes. Very quick delivery - like 3 days from Calgary to Toronto!!!!! I plan to install this weekend! Hope it goes smoothly - I've never done this before! Keep you posted ! All the pics posted so far look fantastic!!!
|
|
|
UTC
quote
All going well so far but have 1 question
How do we connect the black wire from the Admore's lighting kit to the "ground" in the Vespa wiring- our issue is that we seem to have 3 black wires available - does it matter which one the positap is connected too? Directions aren't clear in the kit and it's hard to see in the photos posted. Thanks. |
|
OP
Moderaptor
The Hornet (GT200, aka Love Bug) and 'Dimples' - a GTS 300
Joined: UTC
Posts: 45728 Location: Pleasant Hill, CA |
UTC
quote
They are all grounded to frame, ready to be diverted off to the different lights they service. Any one will do.
The wiring diagram would help you here... |
|
|
UTC
quote
So it worked!! I managed to do it myself by following the directions on this thread! And let me just say I have never done anything like this at all nor have I ever tinkered with the Vespa before. My only 2 issues were connecting the wires - just wasn't certain if the Admore black wire went to the Vespa black wire (Jim cleared that up), and also make sure to connect yellow to yellow wires in the top case section when connecting those. Everything else went according to plan. I did not have to cut the "thingy" either - managed to feed the wire through no problem (just fed the wires end through first). Thanks Jim and to all others for the great step by step guidance. Here is the finished product.
The finished product!
|
|
|
|
|
|
|
UTC
quote
Top case lights
Have been studying all theinstructtionss in preperation for mine to arrive from Admore. Can't wait to get started. [url][/url]
|
|
|
UTC
quote
Re: Top case lights
gafferbeagle wrote: Have been studying all theinstructtionss in preperation for mine to arrive from Admore. Can't wait to get started. [url][/url] |
|
|
UTC
quote
Admore lights
Finaly got my premium kit from customs. Charged me £20.53 VAT. Oh well,anyway with your instructions they went on like a dream. Many thanks
|
|
|
UTC
quote
Fitting Admore LED Premium light kit
I just had my Admore premium led light kit installed this evening at best buy. The only thing different from the instructions was they did not use the plastic red tabs to connect the wires but instead used a military connection method. Looks great very clean and very inexpensive. Thank you Scott!
|
|
|
|
|
UTC
quote
lily wrote: why are those leds so expensive? what makes the leds so special? |
|
|
UTC
quote
ashbrook wrote: lily wrote: why are those leds so expensive? what makes the leds so special? Note: edited to strike incorrect comments. I confused the Admore kit with one that I had previously installed from Skenedesign ⚠️ Last edited by davidcha on UTC; edited 1 time
|
|
OP
Moderaptor
The Hornet (GT200, aka Love Bug) and 'Dimples' - a GTS 300
Joined: UTC
Posts: 45728 Location: Pleasant Hill, CA |
|
UTC
Veni, Vidi, Posti
09 GTS (sold) 2014 NC700XD
Joined: UTC
Posts: 5016 Location: Charlotte, NC |
|
|
Veni, Vidi, Posti
09 GTS (sold) 2014 NC700XD
Joined: UTC
Posts: 5016 Location: Charlotte, NC |
UTC
quote
[quote="davidcha"]...can also be programmed to function as hazard lights (simply by squeezing the brakes in a certain sequence). I was happy to let someone else figure that out...[/quote
Yea, please do tell and share the secret! |
|
|
UTC
quote
My bad! I had installed a flashing brake light kit from Skenedesign prior to discovering the one from Admore and I confused the two. The P3 kit from Skene does allow for the hazard function, not the kit from Admore. I edited my post to strikethrough the error.
Apologies for leading anyone astray! If anyone is interested in the Skene kit, here's a link: http://www.lights.skenedesign.com/P3_Features.shtml Note: I have no affiliation with either company; I'm just a happy (but occasionally misguided) customer! |
|
UTC
Veni, Vidi, Posti
09 GTS (sold) 2014 NC700XD
Joined: UTC
Posts: 5016 Location: Charlotte, NC |
|
|
Veni, Vidi, Posti
09 GTS (sold) 2014 NC700XD
Joined: UTC
Posts: 5016 Location: Charlotte, NC |
|
OP
Moderaptor
The Hornet (GT200, aka Love Bug) and 'Dimples' - a GTS 300
Joined: UTC
Posts: 45728 Location: Pleasant Hill, CA |
UTC
quote
And not a problem in my case as I added a hazards function myself on the two US scoots with the Admore lights.
|
|
UTC
Member
GTS 250,300, Hpe Super/Stella 2T/CB550F
Joined: UTC
Posts: 24 Location: Sarasota, FL |
|
|
Member
GTS 250,300, Hpe Super/Stella 2T/CB550F
Joined: UTC
Posts: 24 Location: Sarasota, FL |
UTC
quote
Are the wire colors the same in a GTS 250 and a 300
Great pictures! Thanks for all the feedback William |
|
UTC
Ossessionato
Vintage Red 2007 GTS, 2022 Mazda Miata soft-top (4-wheel MC)!
Joined: UTC
Posts: 2162 Location: Palo Alto, CA |
|
|
Ossessionato
Vintage Red 2007 GTS, 2022 Mazda Miata soft-top (4-wheel MC)!
Joined: UTC
Posts: 2162 Location: Palo Alto, CA |
UTC
quote
jimc wrote: And not a problem in my case as I added a hazards function myself on the two US scoots with the Admore lights. -Dan |
|
UTC
Ossessionato
GTS300 Super 2023 Beige
Joined: UTC
Posts: 3486 Location: Sydney, Australia |
|
|
|
UTC
quote
On the top of my left knee-pad is a rocker switch, which connects the leads for the left and right indicators. When I turn this switch on and start the indicators, I have all the indicators flashing together.
Only minor complication is that I have an Audicator fittted. If I turn the indicators on and then operate my rocker switch, the Audicator will sound off. But if I do the switch first, the Audicator is aware of this and doesn't do anything. Audicators ae very intelligent. Mike |
|
OP
Moderaptor
The Hornet (GT200, aka Love Bug) and 'Dimples' - a GTS 300
Joined: UTC
Posts: 45728 Location: Pleasant Hill, CA |
UTC
quote
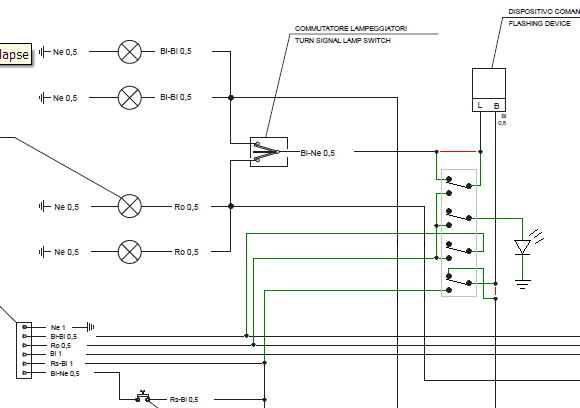
dchernikoff wrote: jimc wrote: And not a problem in my case as I added a hazards function myself on the two US scoots with the Admore lights. -Dan <rummage> Circuit Diagram below plus some other pictures. It doesn't include the two-diodes+buzzer, ground to brakes circuit. Needs an 'Arrow' DPDT switch and a 12V capable LED. Caveat - it can be turned on with the ignition off in its present form, others might like to modify a logic latch so it can only be turned on with ignition on - I didn't bother. It also doesn't show the garage door opener (yes I've got the trio). </rummage>
Cut red bits, add green bits.
DPDT switch and 12V capable LED shown on LH knee-pad.
|
|
OP
Moderaptor
The Hornet (GT200, aka Love Bug) and 'Dimples' - a GTS 300
Joined: UTC
Posts: 45728 Location: Pleasant Hill, CA |
UTC
quote
srqsunfish wrote: Are the wire colors the same in a GTS 250 and a 300 |
|
|
UTC
quote
Not planned bur great timing for me on reviving this thread. I just received my Givi V46 top box and new rear rack and tank cover ( to change out duckbill) and am wiring up the Admore kit this weekend. So thanks to everyone for all the info....
Cheers from chilly Winnipeg - -3 this am MikeC |
|
|
UTC
quote
I was looking into getting the admire but I ended up just ordering cheap water proof LEDs strips and assembling everything myself.
I have it hooked up to my break, turns and idle lights. Cost me about 40 dollars in materials. Either way, with eBay LEDs or admore it makes your bike a lot more visible at night which is what really counts. |
|
Molto Verboso
2013 GTV 300 ie "Victoria" Concept 2 Model D "River of Pain"
Joined: UTC
Posts: 1383 Location: Aurora, Ontario Canada |
UTC
quote
Success!
Many thanks to the OP. Installed my deluxe kit today after church. Hardest part was getting my crash bars off.
I did have one little oops. I broke one of the pins off the plug end of the LED lead on the left side. I ended up having to solder that lead to the left leg. I consider it a huge success since I have never done any kind of work on a Vespa before today. Although, electric work on a bike isn't much different than electric work in the theatre. |
|
UTC
Ossessionato
Vintage Red 2007 GTS, 2022 Mazda Miata soft-top (4-wheel MC)!
Joined: UTC
Posts: 2162 Location: Palo Alto, CA |
|
|
Ossessionato
Vintage Red 2007 GTS, 2022 Mazda Miata soft-top (4-wheel MC)!
Joined: UTC
Posts: 2162 Location: Palo Alto, CA |
UTC
quote
Problem with my installation one year later
dchernikoff wrote: I just finished installing a set of the admore topcase lights on my GTS. ... Also, I was able to gently force the cable thru the plastic "grill" piece without having to cut it. That was a nice surprise. All in all, the hardest part was figuring out how to route the cable down inside the engine compartment, but I think I got it in a good place. I'll upload some pics of where I put it. Everthing else was pretty smooth and easy. ... -Dan Anyone else see this? Any suggestions on a clean fix? -Dan
|
|
UTC
Ossessionato
2012 GTV 300 & LXV 150
Joined: UTC
Posts: 3487 Location: Pacific Northwest |
|
|
|
UTC
quote
My install was also a year and 2,600 miles ago.
I chose to keep my wiring external, with a few chrome zip ties. I did this on the GTV 300 and LXV 150. This install option exposes the wiring to far less heat than conventional, and since it is all accessible, it can be removed or serviced easily. For the chrome zip ties, see Chrome Zip Ties - Looks Much Better, No? Here is a picture from when I made the Admore mod.
Points highlighted are where the wire is gently coiled and zip tied behind the top box (LXV on left), then follows the crash bar down near the right rear skirt. Hole bored through the skirt passes wire through to join the bundle just inside.
⚠️ Last edited by sharpcolorado on UTC; edited 5 times
|
|
Molto Verboso
2013 GTV 300 ie "Victoria" Concept 2 Model D "River of Pain"
Joined: UTC
Posts: 1383 Location: Aurora, Ontario Canada |
UTC
quote
Re: Problem with my installation one year later
dchernikoff wrote: Funny thing. Almost exactly one year after installing this, I started having a problem with the fuse to the rear lights blowing out when going over a bump! I traced it down to the seat pinching the cable to the top box. Worked perfectly fine for a year, and now every time I go over a bump it blows that 7.5A fuse. The insulation on the outer wire casing isn't broken, so I can only imagine it must crushed the insulation on the wires inside the outer casing, and they are shorting together sometimes. I'm not sure how I should fix it -- I guess I can cut away the plastic at the bottom of the grill that I fed the wire thru, although I was happy that I didn't need to do that since it kept my scooter body unmodified in case I want to remove the lights and sell it some day. Anyone else see this? Any suggestions on a clean fix? -Dan |
|
|
UTC
quote
Re: Problem with my installation one year later
ckaiserca wrote: dchernikoff wrote: Funny thing. Almost exactly one year after installing this, I started having a problem with the fuse to the rear lights blowing out when going over a bump! I traced it down to the seat pinching the cable to the top box. Worked perfectly fine for a year, and now every time I go over a bump it blows that 7.5A fuse. The insulation on the outer wire casing isn't broken, so I can only imagine it must crushed the insulation on the wires inside the outer casing, and they are shorting together sometimes. I'm not sure how I should fix it -- I guess I can cut away the plastic at the bottom of the grill that I fed the wire thru, although I was happy that I didn't need to do that since it kept my scooter body unmodified in case I want to remove the lights and sell it some day. Anyone else see this? Any suggestions on a clean fix? -Dan |
Modern Vespa is the premier site for modern Vespa and Piaggio scooters. Vespa GTS300, GTS250, GTV, GT200, LX150, LXS, ET4, ET2, MP3, Fuoco, Elettrica and more.
